Незасоряющиеся погружные канализационные насосы разработаны для работы под слоем жидкой среды, что обеспечивает низкоуровневую транспортировку. Их конструкция отличается длинной консольной конструкцией вала. Глубина погружения должна быть строго ограничена 2 метрами, так как превышение этого порога приводит к значительному снижению эффективности. Однако основная проблема заключается в конструкции гибкого вала. В процессе эксплуатации подшипники подвергаются непрерывному одностороннему износу, что приводит к вибрации подшипников и дополнительному увеличению цикла износа, что приводит к постоянно высокой частоте отказов. Более того, подверженные износу компоненты преимущественно расположены под слоем жидкой среды, что крайне затрудняет их демонтаж и техническое обслуживание.
Разработка самовсасывающих насосов представляет собой революционный шаг вперёд по сравнению с традиционными насосными системами. Во-первых, эти насосы избавлены от длинных валов и сложных подшипников, характерных для незасоряющихся погружных насосов для сточных вод. Во-вторых, их основные компоненты остаются над поверхностью земли, без механических деталей, погружённых в перекачиваемую среду. Такая конструкция обеспечивает более быстрое и простое обслуживание и ремонт. Кроме того, они значительно увеличивают высоту подъёма жидкости: максимальная высота всасывания достигает примерно 7 метров (и выше в специализированных конфигурациях), что является качественным шагом вперёд по сравнению с незасоряющимися погружными насосами для сточных вод.
Самовсасывающий насос работает по уникальному принципу, используя запатентованные рабочие колеса и разделительные диски для принудительного разделения газа и жидкости во время всасывания. Его конструкция, размеры, вес и КПД очень похожи на характеристики трубопроводных насосов. Этот насос не требует вспомогательного оборудования, такого как приёмные клапаны, вакуумные клапаны или газосепараторы. В нормальном режиме работы он не требует заливки жидкости, обладая исключительной способностью к самовсасыванию, которая эффективно заменяет широко распространённые незасоряющиеся погружные канализационные насосы (насосы для перекачки жидкостей низкого уровня). Он также может служить вспомогательным оборудованием для сепараторов, насосов для перекачки жидкостей в цистернах, самовсасывающих трубопроводных насосов и насосов с электроприводом.
Ещё одним преимуществом самовсасывающего насоса, или его ключевой особенностью, является то, что после первоначального заполнения рабочей камеры жидкостью он может работать всухую, всасывая перекачиваемую среду (время работы всухую не превышает 7 минут). Это предотвращает аварии, вызванные случайным включением, которые могут привести к перегоранию двигателя при работе всухую, значительно снижая эксплуатационные риски и одновременно повышая КПД насоса.
Преимущества и недостатки погружного насоса для сточных вод, не подверженного засорению
Преимущества
1. Незасоряющийся погружной насос для сточных вод устанавливается непосредственно на резервуаре с транспортируемой средой, не занимая дополнительной площади на полу.
2. Традиционный погружной насос для сточных вод, не подверженный засорению, оснащен уникальным центробежным рабочим колесом с двойной балансировкой, которое обеспечивает перекачку чистой среды, содержащей твердые частицы, с исключительно низким уровнем вибрации и шума, сохраняя при этом высокую эффективность. Использование открытого рабочего колеса с двойной балансировкой обеспечивает эффективную перекачку загрязненных жидкостей, содержащих твердые частицы и короткие волокна, обеспечивая плавную работу без засорений.
Недостатки
1. Необходимо увеличить промежуточный бак, а уровень жидкости в промежуточном баке следует контролировать в процессе эксплуатации;
2. Техническое обслуживание сложное и требует регулярной замены уплотнений.
3. Высокая стоимость и трудоемкость технического обслуживания;
4. Нужен герметичный воздух;
5. Традиционный погружной насос для сточных вод, не подверженный засорению, не подходит для транспортировки легковоспламеняющихся и взрывоопасных материалов.
6. Новый тип погружного канализационного насоса, не подверженного засорению, не подходит для перекачивания высококоррозионных материалов с частицами.
Незасоряющиеся погружные канализационные насосы имеют свои преимущества и недостатки, причём недостатков даже больше, чем преимуществ. В то же время, во многих отраслях промышленности использование незасоряющихся погружных канализационных насосов запрещено, и их заменяют самовсасывающими насосами, что может быть связано не только со сложностью обслуживания, обусловленной их конструкцией.
Причина высокого шума погружного канализационного насоса, не подверженного засорению
1. Механические аспекты
Несбалансированная масса вращающихся частей погружного насоса для сточных вод из стеклопластика, низкое качество добычи сырой нефти, низкое качество монтажа, асимметричный вал агрегата, качание, превышающее допустимое значение, низкая механическая прочность и жесткость деталей, износ и повреждение подшипников и уплотнительных деталей и т. д. приводят к сильной вибрации.
2. Качество водяного насоса и другие аспекты
Нерациональная конструкция впускного канала приводит к ухудшению условий впуска и образованию вихрей, что приводит к вибрации длинного вала. незасоряющийся погружной насос для сточных вод. Неравномерная осадка фундамента, на котором установлен незасоряющийся погружной канализационный насос и двигатель, также может привести к вибрации.
3. Причины повреждения подшипников погружного насоса для сточных вод без засорения
Подшипник был повреждён из-за длительной эксплуатации незасоряющегося погружного канализационного насоса, что привело к высыханию смазочного масла. Тщательно определите источник шума и замените подшипник.
4. Вызвано гидравлическими факторами
Наиболее распространенными причинами вибрации незасоряющегося погружного канализационного насосного агрегата являются кавитация и колебания давления в трубопроводе.
5. Электрические аспекты
Двигатель — основной элемент агрегата. Магнитный дисбаланс внутри двигателя и дисбаланс других электрических систем часто вызывают вибрацию и шум.
6. Причины вибрации рабочего колеса погружного канализационного насоса, не засоряющегося
Коррозионностойкая и незасоряющаяся гайка импеллера погружного канализационного насоса вибрирует из-за коррозии или опрокидывания, вызывая значительное перемещение импеллера, что приводит к чрезмерной вибрации и шуму.
Меры предосторожности и схема установки самовсасывающего насоса
Инструкции по установке самовсасывающих насосов
1. Перед установкой самовсасывающего насоса необходимо подготовить бетонный фундамент, соответствующий его размерам, предварительно установив анкерные болты. Этот фундамент специально разработан для больших самовсасывающих насосов, так как для моделей меньшего размера такой фундамент не требуется.
2. Перед установкой самовсасывающего насоса внимательно осмотрите все болты на предмет ослабления затяжки, а также проверьте корпус насоса на наличие посторонних предметов, чтобы предотвратить повреждение рабочего колеса во время работы.
3. Установите самовсасывающий насос на бетонный фундамент, поместите между основанием и фундаментом изолирующую прокладку и отрегулируйте высоту прокладки, чтобы выровнять насос по горизонтали. После регулировки затяните болты.
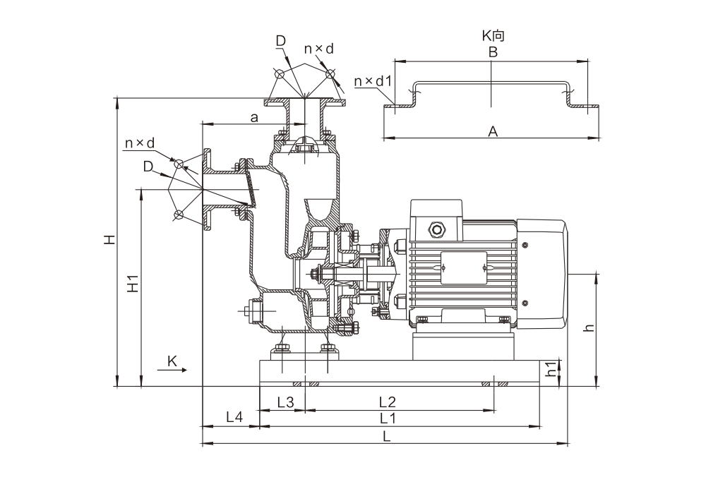
4. Всасывающий и напорный патрубки самовсасывающего насоса не должны опираться на сам насос. Вместо этого для них требуются отдельные опоры для обеспечения правильного выравнивания. Диаметр как всасывающего, так и напорного патрубков должен соответствовать характеристикам насоса, особое внимание следует уделить всасывающему патрубку. Любое уменьшение диаметра при монтаже снизит высоту самовсасывания насоса. Если всасывающий патрубок установлен меньшего диаметра, диаметр напорного патрубка также должен быть пропорционально уменьшен. Для достижения оптимальной производительности рекомендуется использовать трубы, диаметр которых соответствует стандартным характеристикам производителя.
5. При столкновении с самовсасывающий насос Если на входе/выходе установлена пылезащитная крышка, снимите её и подсоедините к трубопроводу. Обратите внимание: при использовании самовсасывающего насоса с быстрым всасыванием воды выпускная труба должна быть вертикально направлена вверх не менее чем на 1 метр перед изгибом. В противном случае вода из корпуса насоса может быть полностью вылита во время процесса заливки.
6. Для удобства обслуживания и безопасности эксплуатации на входе и выходе самовсасывающего насоса следует установить регулирующий клапан. Кроме того, между выходным клапаном и насосом необходимо установить манометр, чтобы обеспечить работу насоса в пределах номинальных значений подачи и напора, что гарантирует его нормальную работу и продлевает срок службы.
7. Перед запуском самовсасывающего насоса после установки проверните вал насоса и заполните камеру жидкостью, чтобы обеспечить полный слив. Проверьте отсутствие утечек и убедитесь, что рабочее колесо не трется и не заедает. При обнаружении каких-либо проблем разберите насос, чтобы диагностировать и устранить неисправность.
Меры предосторожности при использовании самовсасывающего насоса
1. Перед использованием самовсасывающего насоса убедитесь, что его камера полностью заполнена жидкостью. Никогда не работайте насосом всухую. Однако, если насос предназначен для работы всухую, его можно использовать без жидкости.
2. Перед использованием самовсасывающего насоса откройте впускной и выпускной клапаны. После подключения питания нажмите кнопку пуска и проверьте, вращается ли двигатель в правильном направлении, как указано.
3. Выпускной клапан самовсасывающего насоса не должен быть полностью закрыт во время работы. Если необходимо прекратить подачу жидкости, впускной клапан следует закрыть, но не более чем на 2 минуты. Если это время превышает 2 минуты, следует остановить машину, чтобы избежать повреждения самовсасывающего насоса.
4. После остановки самовсасывающего насоса полностью закройте впускной и выпускной клапаны. Для сред, склонных к затвердеванию, сначала закройте впускной клапан и дайте насосу поработать 1–2 минуты, чтобы слить жидкость из камеры насоса.
Причины и способы устранения неисправности самовсасывающего насоса
1. Самовсасывающий насос не всасывает воду, поскольку его всасывающая труба не герметична должным образом, в результате чего насос постоянно находится в состоянии всасывания воздуха.
Решение: Проверьте впускной патрубок самовсасывающего насоса и устраните утечку через уплотнитель, например, сварку, трубное соединение и другие предполагаемые места утечки. Тщательно проверьте, например, дайте насосу поработать около 5 минут, а затем остановите его. Прислушайтесь к звуку всасывания вблизи патрубка.
2. После определенного периода эксплуатации самовсасывающий насос подвергается коррозии или износу, а механическое уплотнение начинает пропускать воду, что является причиной того, что самовсасывающий насос не может всасывать воду.
Решение: Замените поврежденную деталь новой.
3. Причина, по которой самовсасывающий насос не может всасывать воду, заключается в том, что трубопровод, донный клапан или даже корпус насоса заблокированы из-за большого количества примесей в перекачиваемой жидкости.
Решение: Найдите конкретное место засора и очистите его от мусора, чтобы решить проблему.
4. Неправильный монтаж импортных трубопроводов, например, чрезмерное количество колен (их количество должно быть ограничено одним-двумя) или использование 45-градусных колен при двух, может привести к тому, что самовсасывающий насос не сможет забирать воду. Кроме того, произвольное увеличение диаметра трубопровода без учёта технических характеристик насоса также может привести к этой проблеме.
5. Если самовсасывающий насос не забирает воду при втором запуске после первого всасывания, это указывает на попадание воздуха в корпус насоса. Обычно это происходит, когда на выпускном патрубке отсутствует обратный клапан, что позволяет воздуху проникать через атмосферное соединение. После отключения насос может поступать обратно, и внутри может скапливаться воздух. Для решения этой проблемы перед повторным запуском необходимо заполнить насос водой, чтобы удалить скопившийся воздух и обеспечить надлежащий забор воды.
Решением этого типа самовсасывающего насоса является установка шарового клапана на выходе и закрытие выпускного клапана перед остановкой насоса.
6. При установке и эксплуатации самовсасывающего насоса высота всасывания воды превышает допустимую высоту всасывания насоса.
Рекомендуется заменить самовсасывающий насос на насос с большей высотой самовсасывания или вместо него использовать незасоряющийся погружной канализационный насос.



Незасоряющийся погружной канализационный насос. Инструкция по эксплуатации и техническому обслуживанию
Инструкции по эксплуатации и примечания к действию
1.Перед эксплуатацией тщательно проверьте насос и двигатель на наличие повреждений, а также состояние крепежных деталей.
2.Поверните насос, чтобы убедиться в отсутствии звука истирания, а также в соосности валов насоса и двигателя. Цилиндрическое отклонение двух муфт не должно превышать 0,5 мм.
3.Трубопровод, подключенный к выходу жидкости, должен иметь отдельную опору, его вес не должен передаваться на корпус насоса.
4.За исключением особых условий, насос должен быть оснащён полностью автоматическим шкафом управления. Для обеспечения нормальной работы запрещается подключать его напрямую к электросети или с помощью рубильника.
5.Не допускайте постоянной работы насоса с низким напором. Обычно рабочий напор не должен быть ниже 60% номинального и должен контролироваться в пределах рекомендуемого рабочего напора, чтобы двигатель не перегорел из-за перегрузки насоса.
Обслуживание
1.Управление и эксплуатация насоса должны осуществляться специальным лицом, которое должно регулярно проверять цепь и условия работы насоса.
2.Каждый раз после использования, особенно после работы с вязкой сывороткой, дайте насосу поработать несколько минут в чистой воде, чтобы избежать отложений внутри насоса и сохранить его чистым.
3.Обычно после 300–500 часов работы следует заполнять или заменять масло в камере маслом 10–30#, чтобы поддерживать хорошую смазку механического уплотнения и продлевать срок его службы.
4.Уплотнительное кольцо между рабочим колесом и корпусом насоса выполнено с целью обеспечения герметизации, его повреждение может напрямую повлиять на производительность насоса и при необходимости подлежит замене.

